优秀的人通常都对自己有更高的期许。

本节说明:欧姆定律与电路关系学习电学,同学们大多会从欧姆定律开始力不从心了,都说欧姆定律太难,听老师讲好象也能弄明白,但自己总是不会做题或做错,为什么呢?
欧姆定律不懂吗?公式、单位记不住吗?这些并没有什么难的,其实啊,问题不在于欧姆定律,而是我们存在以下问题:
1、不会分析电路,弄不清串、并联关系,电流表、电压表测量对象、开关、滑动变阻器的控制作用;
2、对串并联电路中电流、电压、电阻关系理解不透,还不能灵活自如地把这些关系运用到解题当中去。
知识点一:串、并联电路的电压、电流、电阻关系串联电路特点可概括为:
等流、分压、电阻相加

1、等流:
串联电路电流处处相等,我们在测量串联电路电流时就发现了的;
即:I=I1=I2=......
2、分压:
电源电压被串联电路中各段电路所分,电阻大的分配的电压也高,从上图可知(我们用“ R串 ”表示串联电路的总电阻):
U=I R串 U1=I R1 U2=I R2;
所以:

以上表示:串联的电阻的阻值是几比几,电压也按几比几来分配;某导体的电阻是总电阻的几分之一,那么它两端的电压也是总电压的几分之一(这就是所谓的分压原理)。
3、电阻相加
U=I R串 U1=I R1 U2=I R2;(1)
且U=U1+U2 (2)
所以:(1)代入(2)得:I R串=I R2+I R2
约去 电流 I 得:R串=R1+R2
R串=R1+R2 +....... (也就是所谓的“电阻相加”)
并联电路特点可概括为:
等压、分流、电阻难求

1、等压:
并联电路各支路电压都相等,等于电源提供的总电压,我们在研究并联电路电压时就发现了的;即:U=U1=U2=......
2、分流:
各并联支路的电流加在一起就等于干路的总电流,电阻越大的那条支路通过的电流越小,从上图可知(我们用“ R并 ”表示并联电路的总电阻):
U=I R并=I1 R1=I2 R2;
所以:

以上表示:并联各支路的电阻是几(G)比几(g),支路中的电流却是几(g)比几(G)(这就是所谓的分流关系)。
3、电阻难求:

因为:I=I1+I2+......
所以:

并联后的总电阻的倒数等于各支路电阻倒数之和。是不是电阻难求啊?
所以我们运用数学关系就可以知道:并联后的总电阻将小于任意一条支路的电阻也就是说1000欧电阻与1欧电阻并联后总电阻比1欧还要小。既不是电阻之和也不是平均数。
以上这些个东西一定首先要在自己的大脑中非常清晰,不然你要认真总结,把以上搞搞明白!

典型例题 一个标有2.5V字样的小灯泡正常工作时的阻值是10Ω,要把它接到3V的电源上,要使它正常发光,应该给它串联一个多少欧的电阻?
解析:首先按题意画出电路简图:

解法一:

解法二:

答案:2Ω
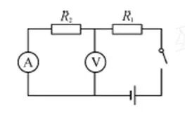
典型例题
如图所示,R2=30Ω,电流表的示数为0.6 A,电压表的示数为12V。求:

(1)R1的阻值、
(2)R2的电流I2
(3)并联电路总电阻R。
解析:
先画出等效电路:

解法一:

解法二:

知识点二:欧姆定律在电路中的应用
以上关系大家一定要弄弄清楚,关键是要把这些关系运用到解决问题当中去。
解题时要按以下步骤进行:
1、读懂题目;
2、根据题意分析电路、画出简单的等效电路;
3、把已知和要求的量标在电路中;
4、根据电路的连接方式找出需要用到的关系(现在干么不得利用关系啊,是吧!);
5、运用欧姆定律把这些关系体现出来。
以上就可以解决好欧姆定律的问题,当然还离不开多练哦!这些可不是说说就可以做到的!
通过前面两个典型例题我们可以发现,掌握电路规律,不但能帮助我们正确顺利地解决电路问题,而且还会发现更多解决问题的路径和方法。
这些个东西一定首先要在自己的大脑中非常清晰,不然你要认真总结,搞搞明白!
欧姆定律在串联中
题型 欧姆定律在串联中
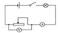
例1-1:如图所示,电源电压保持不变。当闭合开关后,滑动变阻器的滑片向左移动的过程中( )
A.电流表示数变小,电压表示数变大,灯泡变亮
B.电流表示数变大,电压表示数变大,灯泡变暗
C.电流表示数变大,电压表示数变小,灯泡变亮
D.电流表示数变小,电压表示数变小,灯泡变暗
答案:C
提示:当闭合开关后,灯泡和滑动变阻器串联,电流表测得的是这个电路的电流,电压表测量的是滑动变阻器两端的电压,滑动变阻器的滑片向左移动的过程中,滑动变阻器连入电路中的电阻变小,则电路中的总电阻变小,而电源的电压不变,根据欧姆定律可知,电路中的电流变大,即电流表的示数变大,故A、D选项错误;灯泡的电阻不变,通过灯泡的电流变大,则灯泡两端的电压变大,灯泡的实际功率变大,灯泡变亮;根据串联电路电压特点可知,滑动变阻器两端的电压变小,即电压表的示数变小,故B选项错误,C选项正确。故选C。
例1-2:如图电路中,R为定值电阻,闭合开关后,当滑片P在某两点之间滑动时,电流表示数变化范围是0.5A~1.5A,电压表示数变化范围是3V~6V,则下列判断错误的是 ( )
A. 变阻器连入电路中的阻值变化范围为2Ω﹣12Ω[来源:学科网ZXXK]
B. 电源电压为7.5V
C. 实验中R两端的电压变化范围为2.5V~4.5V
D. R的电阻值为3Ω
答案:C
提示:由电路图可知,滑动变阻器与定值电阻串联,电流表测电路电流,电压表测滑动变阻器两端电压;滑动变阻器接入电路阻值越大,电路电流越小,电压表示数越大;A、∵电流表示数变化范围是0.5A~1.5A,电压表的示数变化范围3V~6V,∴由欧姆定律可知:滑动变阻器接入电路的阻值为R滑===2Ω,R滑′===12Ω,则变阻器连入电路的阻值变化范围为2Ω~12Ω,故A正确;B和D、由串联电路电压特点和I=得:电源电压U=UV+IR,即U=3V+1.5A×R,U=6V+0.5A×R;解之:R=3Ω,U=7.5V,故BD正确;C、U1=I1R=0.5A×3Ω=1.5V,U2=I2R=1.5A×3Ω=4.5V,R两端的电压变化范围是1.5V~4.5V。
例1-3:两个电阻元件A和B的两端电压与流过它们电流的关系如图所示。则由图可知,电阻较大的元件它的阻值是__________Ω。将A、B串联后接入电路,当通过A的电流为0.2A时,A和B两端的总电压是 V。[来源:学§科§网Z§X§X§K]
答案:103[来源:Zxxk.Com]
提示:从图像上选取一点,找到对应的电压和电流,根据欧姆定律求出元件A和B的电阻,当A的电流为0.2A,根据串联电路中各处电流是相等可知,B的电流也是0.2A,则从图像上可以看出二者电压之和就是A和B两端的总电压.
知识点二 欧姆定律在并联中[来源:学科网]
题型 欧姆定律在并联中
例2-1:在如图所示的电路中,电源电压为 3 V.闭合开关S,电流表的示数为1.2 A,电流表的示数为0.3 A,则通过R1的电流是_________A,R2的阻值是__________Ω.

答案:0.9 10[来源:Zxxk.Com]
提示:由题图知,R1与R2并联,电流表测量干路中的电流,电流表测量通过R2的电流.通过R1的电流I1=I-I2=1.2 A-0.3 A=0.9 A;R2的阻值为R2= = =10 Ω.
例2-2:如图所示是一种自动测定油箱内油量多少的装置,R1是滑动变阻器,它的金属滑片是杠杆的一端,R2是定值电阻。闭合开关,当油箱内无油时,油量表示数为零,当油箱内注入油时,从油量表指针所指的刻度,就能知道油箱内油量的多少。下列说法正确的是 ( )
A、油量表是由电流表改装而成[来源:学&科&网Z&X&X&K]
B、电表的零刻度就是油量表的零刻度
C、油量增加,油量表的示数变大。
D、油量增加,油量表的示数变小。
答案:C
提示:油量表与R2并联,所以油量表是由电压表改装而成,故A选项说法错误;当油箱内无油时,油量表示数为零,滑动变阻器R1阻值最大,电路中电流最小,电压表示数最小,但不是零,所以电表的零刻度不是油量表的零刻度,故B选项说法错误;当油量增加,浮标上浮,滑动变阻器的滑片向下滑,滑动变阻器R1的阻值变小,滑动变阻器R1分压减小,定值电阻R2分压增大,电压表示数增大,油量表的示数变大,故C选项说法正确D说法错误。故选C。[来源:学+科+网][来源:
练习
1.一只10 Ω的电阻与一只0.1 Ω的电阻并联,并联后的总电阻( )
A.等于1 Ω
B.小于0.1 Ω
C.等于10.1 Ω
D.大于0.1 Ω小于10 Ω
2.如图所示,电路中R1的阻值为6 Ω,闭合开关S,电流表A1的示数为1.2 A,电流表A2的示数为0.3A.则R2的阻值是( )
A.18 Ω B.24 Ω
C.6 Ω D.3 Ω

3.如图所示的电路,电源电压保持不变,闭合开关S1、S2,电压表示数为3 V,电流表示数为0.3 A,断开S2后,电压表示数为2 V,则下列判断正确的是( )
A.R1阻值为20 Ω
B.R2阻值为10 Ω
C.电源电压为3 V
D.电源电压为2 V
4.把R1=10 Ω和R2=20 Ω的两个电阻串联在电源电压为6 V的电路中,R1和R2串联的总电阻为________Ω,电路中的电流为________A.
5.一只小灯泡的额定电压为8 V,正常发光时通过它的电流为0.4 A,现将该小灯泡接在12 V的电源上,为使其正常发光,应________联一个________Ω的电阻.
6.如图所示,小灯泡L标有“6 V 0.3 A”字样,R=30 Ω,闭合开关S,小灯泡正常发光,则电流表的示数是多少?

7.如图的四个电路中,R1<R2,电路的总电阻由小到大的顺序是( )

A.甲乙丙丁 B.丁丙乙甲
C.丁甲乙丙 D.丙乙甲丁
8.一个滑动变阻器标有“1.5 A50 Ω”的字样,当它与一个阻值为30 Ω的电阻串联接入电路时,整个电路总电阻的变化范围为( )
A.30~80 Ω B.0~80 Ω
C.0~50 Ω D.0~30 Ω
9.现将阻值相同的两只电阻分别按照串联和并联方式连接后接在如图所示的a、b两点间,已知电源电压不变,当电阻以串联方式接入时,电流表示数为I1;当电阻以并联方式接入时,电流表示数为I2.则I1和I2的比值为( )

A.I1∶I2=1∶4
B.I1∶I2=1∶2
C.I1∶I2=4∶1
D.I1∶I2=2∶1
10.定值电阻R1和R2串联后,接在电压可调的电源两端,电路中的电流I随电源电压U变化关系的图像如图所示.已知R1=2 Ω,则R2= Ω.
11.如图所示是某酒精浓度检测仪的原理图,R1为一种气敏电阻,它的阻值随着酒精浓度的增大而减小,当酒精浓度增大时,电流表的示数将________,电压表的示数将________.(填“增大”“减小”或“不变”)

12.如图所示,电源电压恒定,R1=20 Ω,闭合开关S,断开开关S1,电流表示数是0.3 A;若再闭合S1,发现电流表示数变化了0.2 A,则电源电压为________V,R2的阻值为________Ω.

13.两个电阻,分别标有“3V 0.5 A”和“6 V 0.3 A”字样.将它们串联后接入电路使用,那么电路中的电流不能超过________A;将它们并联后接入电路使用,那么电路两端的电压不能超过________V.
14.如图所示,电路中定值电阻值R1=5 Ω,R2为滑动变阻器,电源电压保持不变,当滑片在a端时电流表示数为0.6 A,滑片在b端时电压表示数为2 V,求:

(1)电源电压;
(2)滑动变阻器R2的最大阻值.
15.如图所示,当电源两端的电压为6 V时,电流表的示数为0.6 A;当电源两端的电压为5 V时,电压表的示数为2.0 V.求:电阻R1和R2的值.

练习答案1.B 2.A 3.C
4. 30 0.2 5. 串 10
6.因为L与R并联且灯L正常发光,所以UR=UL=6V,
IL=0.3A IR=UR/R=6V/30Ω=0.2A
I=IR+IL=0.2A+0.3A=0.5 A
7.C 8.A 9.A
10.4 11.增大 减小 12. 6 30
13. 0.3 3
14.
(1)当滑片在a端时,滑动变阻器被短路电阻R1两端的电压U=I1R1=0.6A×5Ω=3 V,所以电源电压为3V;
(2)当滑片在b端时,电阻R1两端的电压U1=U-U2=3 V-2 V=1 V电路电流I=U1/R1=1 V/5Ω=0.2A 滑动变阻器R2的最大阻值R2=U2/I=2V/0.2A=10Ω.
15.由电路图可知,两电阻串联,电压表测R2两端的电压,电流表测电路中的电流.
当电源两端的电压为6V时,电路中的电流为0.6A,
∵串联电路中总电阻等于各分电阻之和,
∴根据欧姆定律可得:R1+R2=U/I1=6V/0.6A=10 Ω……①
∵串联电路中总电压等于各分电压之和,
∴当电源两端的电压为5V时,R1两端的电压:U1=U-U2=5V-2V=3V,根据欧姆定律可得:
R1/R2=(U1/I2)/(U2/I2)=U1/U2=3V/2V=3/2,
即R1=3/2R2……②
把②代入①可得:3/2R2+R2=5/2R2=10Ω,
解得:R2=4Ω, R1=3/2R2=3/2×4 Ω=6Ω.